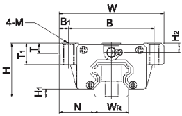
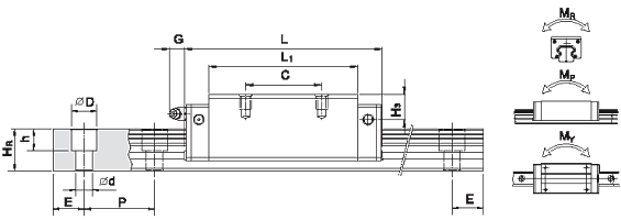
HGH
Heavy Duty Linear Slide Series
LM76
has an extensive selection of square-type and flange-type
slides in stock for immediate delivery.
We'll even pre-cut your rail sections (at no additional
charge) so you will be ready for installation when
your order arrives.
|
HGW Heavy Duty Linear Slide
Series
 |