Linear Ball Bearing
Industry Interchange

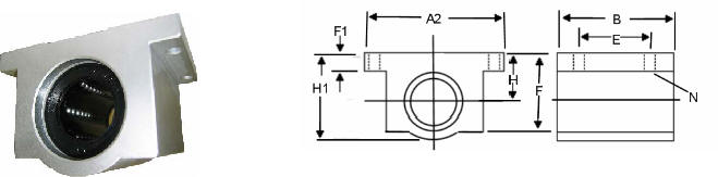
 Sealed & Self Aligning CLOSED Pillow Block Bearings

High Volume
call for quotation
1-800-513-3163
Mike Quinn

Distributors call for
distributor pricing


PDF CATALOG

Part Number d
Nominal
Shaft Diameter
H
+/-
.003
H1 A A2 B E E1 F F1

N

   Hole    Bolt
Mass
(Lbs.)
Load Rating
SPB8B .500 .687 1.250 2.00 1.38 1.69 1.000 .8750/.8755 1.13 .250
.160 #6
.20 255
SPB10B .625 .875 1.630 2.50 1.75 1.94 1.125 1.1250/1.1255 1.44 .280
.190 #8
.50 450
SPB12B .750 .937 1.75 2.75 1.88 2.06 1.250 1.2500/1.2505 1.56 .310
.190 #8
.60 600
SPB16B 1.00 1.187 2.19 3.25 2.38 2.81 1.750 1.5624/1.5630 1.94 .381
.220 #10
1.2 1050
SPB20B 1.25 1.500 2.81 4.00 3.00 3.63 2.000 2.0000/2.0010 2.50 .440
.220 #10
2.5 1500
SPB24B 1.50 1.750 3.25 4.75 3.50 4.00 2.500 2.3740/2.3760 2.88 .500
.280 1/4
3.8 2000

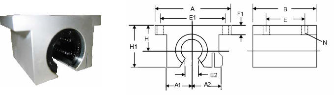
Sealed & Self Aligning OPEN Pillow Block Bearings

High Volume
call for quotation
1-800-513-3163
Mike Quinn

Distributors call for
distributor pricing


PDF CATALOG

Part Number d
Nominal
Shaft Diameter
H
+/-
.003
H1 A A2 A1 B E E1 E2 F1

N

   Hole    Bolt
Mass
(Lbs.)
Load Rating
SPB8OPB .500 .687 1.13 2.00 .750 .69 1.50 1.000 1.688 .31 .250
.160 #6
.20 230
SPB10OPB .625 .875 1.44 2.50 .940 .88 1.75 1.125 2.125 .37 .280
.190 #8
.40 320
SPB12OPB .750 .937 1.56 2.75 1.00 .94 1.88 1.250 2.375 .43 .310
.190 #8
.50 470
SPB16OPB 1.00 1.187 2.00 3.25 1.250 1.19 2.63 1.750 2.875 .56 .381
.220 #10
1.0 780
SPB20OPB 1.25 1.500 2.56 4.00 1.63 1.50 3.38 2.000 3.500 .62 .440
.220 #10
2.1 1170
SPB24OPB 1.50 1.750 3.94 4.75 1.88 1.75 3.75 2.500 4.125 .75 .500
.280 1/4
3.2 1560

Use LM76 Precision Linear Shafting with Your Linear Bearings              Mobile Site: www.LM76LinearBearingSolutions.com