|
| |
|
SINGLE AXIS LM76 GOLD SERIES
LINEAR SYSTEMS Available
with LM76
Teflon Composite
Bearings or Linear Ball Bearings |
|
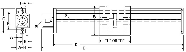
SHAFT
DIA. |
SINGLE AXIS
SURESLIDE(TM)
SYSTEM |
A
+/-.001 |
B
+/-.001 |
C |
D |
E |
H |
|
3/4 |
SALS-12 |
1.500 |
4.500 |
6.250 |
PER
APPLICATION |
PER
APPLICATION |
1.437 |
|
1 |
SALS-16 |
1.750 |
5.250 |
7.375 |
PER
APPLICATION |
PER
APPLICATION |
1.687 |
|
1-1/2 |
SALS-24 |
2.500 |
6.625 |
9.625 |
PER
APPLICATION |
PER
APPLICATION |
2.750 |
|
SHAFT
DIA. |
A + H |
L
(4) SINGLE PILLOW
BLOCK BEARINGS |
R
(2) TWIN PILLOW
BLOCK BEARINGS |
M
NEMA
FRAME |
S
DRIVE
SCREW |
T |
W |
|
3/4 |
2.937 |
6.00 |
12.00 |
23,34,42 |
BALL OR
ACME |
.500 |
7.75 |
|
1 |
3.438 |
6.00 |
12.00 |
23,34,42 |
BALL OR
ACME |
.500 |
9.00 |
|
1-1/2 |
5.250 |
12.00 |
18.00 |
23,34,42 |
BALL OR
ACME |
1.000 |
12.00 |
| NOTES: |
• THESE SINGLE AXIS LINEAR
SLIDES CAN BE COMBINED TO ACHIEVE MULTI-AXIS POSITIONING
SYSTEMS. |
• CUSTOM
SINGLE AXIS ASSEMBLY INQUIRES CAN BE FAXED OR EMAILED TO:
(413)-525-3735 or Call: 1-800-513-3163 |
|